登录
|
注册
首页
培训课程
技术文章
分布式光伏设计
计算工具汇总
价格信息
资料下载
更多▼
光伏园/会员
招投标信息
更多▼
工具汇总
全局总览
光伏币
光伏工具
储能工具
光伏设计
风电工具
光伏价格
风电价格
储能价格
技术文章
资料下载
招投标信息
光伏园首页
资料下载专题
当前列表
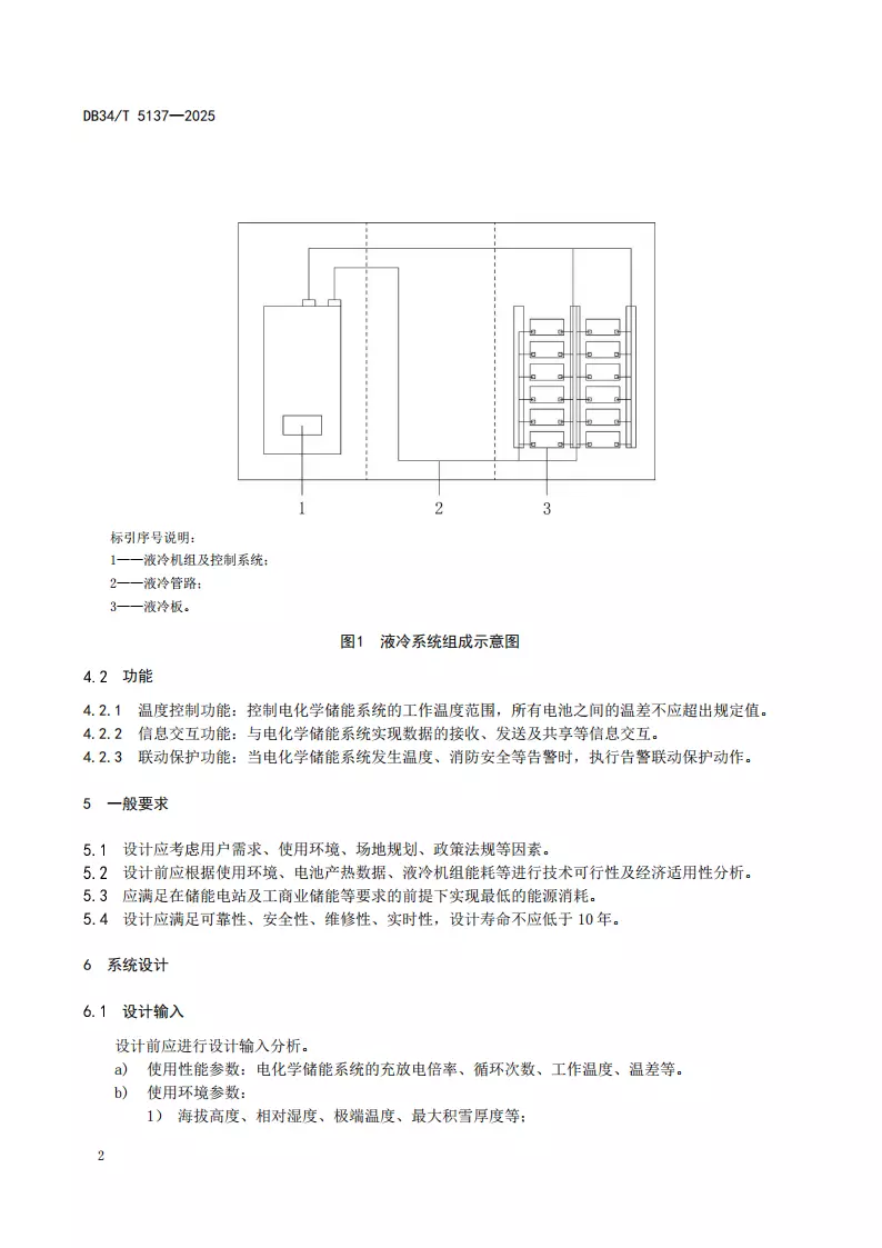
【规范】电化学储能液冷系统设计技术要求
推荐天翼云盘(不限速且免费)
上传用户:
大哥不说二哥和三弟
资料特征(类型):
PDF
资料售价:
4
光伏币
(新用户注册赠送10光伏币)
资料下载链接:
请
登录
后查看下载链接
备用下载链接:
请登录后查看
资料下载,推荐“年度会员”,全站通用(计算+下载)不限量,
了解会员
免费获取资料/光伏币?光伏园开通资料兑换服务
了解详情
本文由网友投稿,
光伏园网站
仅发布,未进行完整性审查和内容审核,下载前请自行甄别。
如有侵权请联系微信pvyuan2。
欢迎投稿分享资料(联系微信pvyuan2),兑换光伏币,更有机会兑换“年度会员”
最新上传资料 TOP10
1
华润某风电项目110KV升压站招标...
2
某风电项目升压站电气调试方案.wps
3
某示范工程风电项目达标创优规划.wps(P45)
4
风机基础工程施工作业指导书(wps,p24)
5
某停车场充电站全套图纸(高低压电气/土建).dwg
6
某2.7MW分布式光伏全套图纸(含...
7
某屋顶分布式光伏项目BIPV结构施工图.dwg
8
《索结构光伏支架技术规程》...
9
《电化学储能电站经济评价导则》...
10
《电化学储能电站并网验收技术规范》...
11
《光伏发电站后评价技术规范》NBT...
12
《户用光伏发电系统工程质量评价规范...
3
438
光伏园资料兑换服务详情
×
资料范围:
1、工程管理及方案类,仅接收word、wps格式,特别优秀的接收PDF格式
2、可研类资料,接受PDF或者word格式
3、图纸类,接受dwg格式(不接收PDF)
4、资料可自行脱敏(删除项目及单位信息等),也可委托光伏园发布前删除
5、原则上分享的资料兑换同类型资料
6、如不兑换资料,可选择兑换光伏币。方案类可兑换价值10元光伏币,可研及图纸类可兑换价值20元光伏币,具体联系微信pvyuan2